전체 글 50

#33. 전력 효율(Power efficiency)에 대해 이해해보자!

전원 설계에 있어 효율은 가장 중요하게 고려해야 할 요소 중 하나 입니다. 소모 전력 또는 대기 전력과 밀접한 관련이 있는 팩터이다보니 실무를 하다보면 굉장히 흔하게 나오는 대화 소재이기도 하죠. 상당히 자주 사용하는 용어인데도 의외로 생각보다 많은 실무자들이 잘 모르는 개념이기도 합니다. 익숙해서 잘 안다고 생각하지만 실상은 그렇지 못한(?) 느낌이죠. 그래서 이번 포스팅에서는 전력 효율에 대해 좀 더 알기쉽게 예를들어 설명을 해보려고 합니다. 먼저, 전력 효율(Power efficiency)은 아래 수식 1)과 같이 표현 합니다. 수식 1) 굉장히 심플합니다. 100의 전력을 투입했는데 80만큼의 전력이 나왔다면 80% 효율인거죠. 나머지 20%는 열로 인한 손실이 발생했다고 볼 수 있습니다. 이 수..

아날로그 회로 2024.09.01

#32. Boost Conveter (부스트 컨버터) 쉽게 이해하기

Boost converter는 DC 전압을 또 다른 DC 전압 레벨로 바꿔주기 때문에 DC-DC converter 라고도 하고, 낮은 전압을 높은 전압으로 올려주기 때문에 Step up converter (승압 컨버터) 라고도 합니다. (반대로 높은 전압에서 낮은 전압으로 내려주는 소자는 Buck converter 라고 합니다) 아래 그림 1에서 Boost converter가 어떻게 생겨먹었는지 확인해 봅시다.  Boost converter는 Buck converter와 마찬가지로 스위칭용 MOSFET, 다이오드, 인덕터, 커패시터, PWM Controller로 구성됩니다. PWM Controller는 MOSFET을 ON/OFF 하기 위해 펄스 신호를 생성하고, duty를 조절하는 회로부로 이해하면 됩니..

아날로그 회로 2024.08.24

#31. TVS 다이오드 쉽게 이해하기

TVS 다이오드란? Transient Voltage Suppression diode의 약어로 한국말로 과도 전압 억제 다이오드라고 합니다. 다이오드의 한 종류로 서지나 정전기 방전(ESD)과 같이 순간적으로 과도한 전압이 인가될 경우 이를 억제해주는 다이오드라고 이해할 수 있습니다. 제너 다이오드와 같이 일정 전압 이상이 인가될 경우 클램핑 역할을 하지만 차이점이라면 응답속도가 빨라서 서지와 같은 순간적인 피크 전압이 인가됐을 때 더욱 특화된 보호회로 역할을 수행할 수 있다는 점입니다. TVS 다이오드의 심볼은 아래 그림 1과 같이 표현 합니다. 단방향(uni-direction) TVS 다이오드의 경우 그림 1. (a)와 같이, 양방향(bi-direction) TVS 다이오드의 경우 그림 1. (b)와 ..

아날로그 회로 2024.08.18

#30. 돌입 전류(Inrush current)에 대한 이해 및 해결 방법

돌입전류란 전원 인가 시 발생하는 급격한 전류를 의미합니다. 일반적으로 전원 회로를 구성할 때 전원의 안정적인 공급을 위해 용량이 큰 커패시터를 사용합니다. 커패시터 용량이 크면 노이즈에 강하고, 과도한 전압 강하 시 완충제로써의 역할을 더 잘 수행할 수 있다고 생각해서 일단 큰 커패시터를 사용하고 보는 습관이 있습니다. 하지만 이렇게 설계하면 처음 전원을 인가할 때 문제가 발생합니다. 전원을 인가 하기 전 커패시터는 방전되어 있는 상태이기 때문에 전원이 인가되면 충전하기 위해 수식 1과 같이 급격한 전류가 발생합니다.  수식 1) 인가된 전압의 미분값에 커패시터 용량이 곱해지는만큼 전류가 흐르기 때문에 커패시터 용량이 클수록 인가되는 전압이 높을수록 전류의 크기는 더욱 커지고, 커패시터를 비롯한 여러 ..

아날로그 회로 2024.05.15

#29. 커패시터(capacitor)를 여러 개 사용하는 이유?

SMPS나 LDO의 입출력 또는 MCU의 전원 핀에 커패시터를 여러 개 연결하는 경우를 많이들 보셨을 거에요. 이렇게 여러 개의 멀티 커패시터를 연결하는 것을 사람들은 Capacitor bank 또는 줄여서 Cap bank라고 부르기도 합니다.  그림 1과 같이 10uF, 1uF, 10nF, 1nF 이런식으로 커패시터 여러 개를 연결하여 사용하는 경우가 많은데 잡음(Noise) 필터링 측면에서 따져봤을 때 그냥 20uF 커패시터 하나만 연결하면 더 효과가 좋은거 아닌가? 라고 많이들 생각하실 거에요. 10uF 보다 한참 작은 1uF, 10nF, 1nF을 달아봐야 별로 차이가 없을테니까요.  하지만 그림 2와 같이 실제 커패시터의 모델링을 보면 커패시턴스 성분(C) 외에 저항성분(RL, RESR)과 인덕터..

아날로그 회로 2024.05.04

#28. PSRR (Power Supply Rejection Ratio) 이란?

PSRR이란 Power Supply Rejection Ratio의 약자로 전원(Power Supply)에 잡음(noise)이 인가될 경우 출력으로 얼마나 감쇠되어 나오는지를 나타내는 지표입니다. 다시 말해 전원 전압 VCC로 어떤 주파수를 가진 AC 신호(잡음)가 인가될 경우 출력 전압 VOUT으로 나오는 비율을 의미합니다. 단위는 dB 스케일로 표시합니다. 이를 수식으로 표현하면 수식 1)과 같습니다. 수식 1) PSRR은 전원에 인가된 잡음이 출력으로 나오는 비율을 나타내기 때문에 굉장히 중요합니다. 특히, 수신기 같은 SNR이 중요한 회로에서는 더더욱 중요한 팩터이기 때문에 주로 LDO(Low Drop-Out Regulator)나 OPAMP에서 많이 사용되는 용어입니다. PSRR 값은 주파수에 따라..

아날로그 회로 2024.04.29

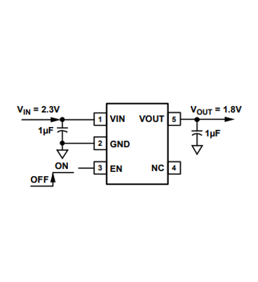
#20-1. LDO Regulator 소자 선정 방법

이번 포스팅에서는 LDO 소자를 선택하는 방법에 대해 알아보려고 합니다. 혹시 LDO의 동작 원리가 궁금하신 분은 아래 포스팅을 참고해 주세요. 2023.11.26 - [아날로그 회로] - #20. LDO(Low Drop-Out) 쉽게 이해하기 #20. LDO(Low Drop-Out) 쉽게 이해하기 회로설계에 있어 전원부 회로는 가장 기본이자 필수입니다. 외부 전원을 입력받아 원하는 전압 레벨을 만들기 위해 스위칭 Regulator를 사용하거나 때에 따라 LDO를 사용하기도 합니다. 효율이 중 analog-circuit-design.tistory.com LDO는 전자회로에서 정말 정말 많이 사용하는 소자입니다. 어떤 회로를 설계하든 전원은 공급해야하기에 사용할 수 밖에 없는 소자이죠. 특히나 잡음의 영향..

아날로그 회로 2024.04.21

#27. RF Sensitivity (수신감도) 쉽게 이해하기

통신 시스템에서 수신기는 송신기로부터 송출된 신호를 수신하기 위해 꼭 필요한 부품입니다. 이미 제작된 수신기 상용품을 가져다 쓰시는 분도 계실거고, Receiver front end IC를 직접 설계하는 분도 계실텐데 이 때 고려해야할 수신기의 가장 중요한 스펙은 무엇일까요? 물론 여러가지 고려해야할 스펙들이 많지만 그 중 가장 중요한 스펙은 Sensitivity(수신감도)일 겁니다. 이 Sensitivity를 MDS(Minimum Detectable Signal)라고 부르기도 합니다만 여기서는 Sensitivity로 지칭하도록 하겠습니다. Sensitivity란 신호를 감지할 수 있는 최소 신호의 세기를 의미합니다. 예를들어, 어떤 수신기의 Sensitivity를 RMS 값으로 -90dBm이라고 할 경..

RF 2024.04.14

#26. 저항(Resistor)에 대한 이해도를 높여보자!

저항은 전자회로에서 가장 기본적인 수동소자 3가지 R(Resistor), L(Inductor), C(Capacitor) 중 하나 입니다. 저항이라는 말 그대로 전류의 흐름을 방해한다는 뜻이므로 전류가 흐를 때 열이 나고, 신호의 감쇠가 발생합니다. 물론, 저항은 아래 수식 1)과 같이 도선 재질의 비저항, 굵기, 길이에 의해 값이 결정되지만 이런 흔한 얘기보다는 좀 더 실무적인 측면에서 다뤄보도록 하겠습니다. 수식1) 1. 주파수 특성 저항은 아래 그림 1. (a)와 같은 심볼로 표현되지만 실제 도선은 인덕턴스와 캐패시턴스 성분을 모두 포함하고 있습니다. 따라서, 실제의 저항은 그림 1. (b)와 같이 모델링 할 수 있습니다. 물론 제조사에 따라 모델링이 조금씩 다르기 때문에 사용하는 소자의 정확한 모델..

아날로그 회로 2024.04.10

#25. 고조파(Harmonics) 발생 원인 쉽게 이해하기

RF 신호를 다루다 보면 고조파 또는 Harmonics라는 말을 참 많이 듣습니다. 고조파의 의미는 정말 단순합니다. 사용하는 신호 주파수의 2배, 3배, 4배, 5배.. 와 같이 정수배에 해당하는 주파수의 신호성분을 뜻합니다. 전자회로는 반도체 소자들로 이뤄져있고, 반도체 소자들은 물리적인 특성상 항시 고조파 성분을 포함하고 있습니다. 예를들어 어떤 전자 장비에서 2.4GHz의 신호를 송신하면 4.8GHz(2배), 7.2GHz(3배), 9.6GHz(4배)...의 고조파성분이 스펙트럼 어널라이저로 측정 됩니다. 이런 고조파 성분은 원치 않는 노이즈를 만들어내기 때문에 수신기 입장에서 수신률을 떨어뜨리는 요소가 됩니다. 물론 고조파 성분은 원래 신호 주파수의 2배, 3배, 4배...에 해당하기 때문에 필터..

RF 2024.04.03