Buck Converter 3

#33. 전력 효율(Power efficiency)에 대해 이해해보자!

전원 설계에 있어 효율은 가장 중요하게 고려해야 할 요소 중 하나 입니다. 소모 전력 또는 대기 전력과 밀접한 관련이 있는 팩터이다보니 실무를 하다보면 굉장히 흔하게 나오는 대화 소재이기도 하죠. 상당히 자주 사용하는 용어인데도 의외로 생각보다 많은 실무자들이 잘 모르는 개념이기도 합니다. 익숙해서 잘 안다고 생각하지만 실상은 그렇지 못한(?) 느낌이죠. 그래서 이번 포스팅에서는 전력 효율에 대해 좀 더 알기쉽게 예를들어 설명을 해보려고 합니다. 먼저, 전력 효율(Power efficiency)은 아래 수식 1)과 같이 표현 합니다. 수식 1) 굉장히 심플합니다. 100의 전력을 투입했는데 80만큼의 전력이 나왔다면 80% 효율인거죠. 나머지 20%는 열로 인한 손실이 발생했다고 볼 수 있습니다. 이 수..

아날로그 회로 2024.09.01

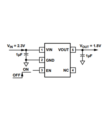
#20-1. LDO Regulator 소자 선정 방법

이번 포스팅에서는 LDO 소자를 선택하는 방법에 대해 알아보려고 합니다. 혹시 LDO의 동작 원리가 궁금하신 분은 아래 포스팅을 참고해 주세요. 2023.11.26 - [아날로그 회로] - #20. LDO(Low Drop-Out) 쉽게 이해하기 #20. LDO(Low Drop-Out) 쉽게 이해하기 회로설계에 있어 전원부 회로는 가장 기본이자 필수입니다. 외부 전원을 입력받아 원하는 전압 레벨을 만들기 위해 스위칭 Regulator를 사용하거나 때에 따라 LDO를 사용하기도 합니다. 효율이 중 analog-circuit-design.tistory.com LDO는 전자회로에서 정말 정말 많이 사용하는 소자입니다. 어떤 회로를 설계하든 전원은 공급해야하기에 사용할 수 밖에 없는 소자이죠. 특히나 잡음의 영향..

아날로그 회로 2024.04.21

#22. Buck Converter (벅 컨버터) 쉽게 이해하기

"이 포스팅은 쿠팡 파트너스 활동의 일환으로, 이에 따른 일정액의 수수료를 제공받습니다." 가전디지털-TV/영상가전,냉장고,세탁기/건조기,생활가전| 쿠팡쿠팡에서 가전디지털 특가를 살펴보세요. TV/영상가전,냉장고,세탁기/건조기,생활가전 등을 원하는 조건별로 확인할 수 있습니다. 와우회원은 무료 배송 혜택도 누릴 수 있어요.www.coupang.com Buck converter는 Boost converter와 마찬가지로 DC전압을 또 다른 DC 전압으로 바꿔주기 때문에 DC-DC converter 라고도 하고, 높은 전압을 낮은 전압으로 내려주기 때문에 Step down converter (강압 컨버터) 라고도 합니다. (Boost converter의 경우 전압을 올려주기 때문에 Step up conv..

아날로그 회로 2024.01.01