분류 전체보기 50

#43. 인덕터 원리 이해하기

이 포스팅은 쿠팡 파트너스 활동의 일환으로, 이에 따른 일정액의 수수료를 제공받습니다. 아두이노 코일형 인덕터 47uh 5A 10pcs / Arduino Inductor - 코딩완구/로봇 | 쿠팡쿠팡에서 아두이노 코일형 인덕터 47uh 5A 10pcs / Arduino Inductor 구매하고 더 많은 혜택을 받으세요! 지금 할인중인 다른 코딩완구/로봇 제품도 바로 쿠팡에서 확인할 수 있습니다.www.coupang.com 전자부품 중에서 저항과 커패시터만큼 흔히 등장하는 소자이지만 익숙함의 정도는 많이 떨어지는 소자라는 생각이 듭니다. 커패시터와 함께 리액턴스 소자로 분류되면서 주로 커패시터 위주로 설명을 하고, 인덕터는 커패시터와 비슷하다고 두루뭉슬하게 넘어가는 경우가 많기 때문인 듯 합니다. 그래서 ..

아날로그 회로 2025.05.25

#42. 평균 소모 전류 계산 방법

회로를 설계하고 제작해서 측정을 하면, 노드 별로 전압이 정상적으로 나오는지 확인 후 가장 먼저 소모전류를 측정합니다. 보통 Power Supply에 전류값이 디스플레이 되기 때문에 소모전류 값을 손쉽게 확인 할 수 있습니다. 그런데 종종 Power Supply에서 디스플레이하는 값이 변합니다. 왜 이런걸까요? 이건 사용하는 회로에서 항시 일정한 전류를 소모하는게 아니기 때문입니다. 대표적으로 MCU와 같은 소자는 Operating 시 어떤 코딩을 동작시키냐 어떤 내부 블록을 사용하냐에 따라 소모하는 전류가 달라집니다. 이런 형태의 소모전류를 동작 전류라고 부르고, 그림 1과 같이 일정하지 않은 형태의 파형을 보입니다. 대략 수십에서 수백 mA 정도를 소모하죠. 반면, 풀업 또는 풀다운 저항과 같은..

아날로그 회로 2025.05.23

#41. ESD(ElectroStatic Discharge) 쉽게 이해하기

"이 포스팅은 쿠팡 파트너스 활동의 일환으로, 이에 따른 일정액의 수수료를 제공받습니다." 오늘출발 국내자체생산 발안아픈 푹신한 제전슬리퍼 정전기방지슬리퍼 ESD 크린룸 제전화 검정쿠팡에서 오늘출발 국내자체생산 발안아픈 푹신한 제전슬리퍼 정전기방지슬리퍼 ESD 크린룸 제전화 검정 여성 남성 SH-1900 구매하고 더 많은 혜택을 받으세요! 지금 할인중인 다른 실내화 제품도www.coupang.com 흔히 문 손잡이를 만지거나 털 옷을 만졌을 때, 손에 따끔하게 전기가 통하는 것을 많이들 느끼셨을 거에요. 이게 ESD라는 녀석 때문인데요. 전자 회로에서 ESD로 인한 피해가 급증하면서 활발하게 관심을 가지고 연구가 이뤄지고 있습니다. ESD(ElectroStatic Discharge)란? 어떤 두 물체(또..

배터리 시스템 2025.05.12

#40. 온도 센서 쉽게 이해하기

"이 포스팅은 쿠팡 파트너스 활동의 일환으로, 이에 따른 일정액의 수수료를 제공받습니다." NTC온도센서 수족관 및 판넬형 조절기 호환 3M - 계측기 | 쿠팡쿠팡에서 NTC온도센서 수족관 및 판넬형 조절기 호환 3M 구매하고 더 많은 혜택을 받으세요! 지금 할인중인 다른 계측기 제품도 바로 쿠팡에서 확인할 수 있습니다.www.coupang.com 배터리시스템에서 온도센서는 매우 중요합니다. 특히, 고전압 배터리 모듈은 언제든 열폭주의 위험성이 존재하기 때문에 모듈 내 온도 센서를 부착하여 온도가 일정 기준 이상 도달 시 충방전을 차단 한다거나 냉각 팬을 작동하거나 알람을 발생하는 등의 역할을 수행할 수 있게 하는 중요한 지표/트리거가 되어 줄 수 있습니다. 온도 센서의 종류는 다양하지만 자동차 시스..

배터리 시스템 2025.05.06

#39. Shunt 전류 센서 이해하기

Shunt 전류 센서는 측정하고 싶은 전류가 흐르는 라인에 저항을 직렬로 연결한 후 저항 양단에 걸리는 전압 차이를 센싱하여 옴의 법칙에 의해 전류 값을 알아내는 소자입니다. 저항을 통해 흐르는 전류에 의해 발생하는 전압 강하를 측정함으로써 전류 값을 간접적으로 계산하는 방식이라고 볼 수 있죠. 이렇게 전류가 흐르는 라인에 직렬로 저항을 삽입하기 때문에 이 저항을 Series 저항이라고 불러야할 것도 같지만 이 저항의 양단을 증폭기와 연결하여 측정하기 때문에 사람들은 이를 Shunt 저항이라고 부릅니다.  우선 Shunt 전류 센서가 어떻게 생겼는지 봅시다. 그림 1.(a)는 Shunt 저항기로 말 그대로 저항만 제공하여 개발자가 양단에 증폭기와 ADC 회로를 추가로 구성하여 전류 센싱을 할 수 있는 형..

배터리 시스템 2025.03.16

#38. CAN 통신 회로 이해하기

이번 포스팅은 CAN 통신 회로에 대해 다뤄보려고 합니다.  CAN(Controller Area Network) 통신은 아주 간단하게는 차량 내부의 전자 제어 장치들간 네트워크 통신을 하는 방식을 의미합니다. 좀 더 자세하게 설명하면 차량 내부의 컨트롤러(Controller) 또는 전자 제어 장치(ECU) 간 데이터를 효율적으로 교환하기 위해 약속된 포맷을 갖춘 직렬 통신 프로토콜 입니다. 점점 늘어나는 ECU간 통신을 효율적으로 처리하기 위 보쉬(Bosch)에서 처음 개발하였으며, 현재는 국제 표준으로 자리 잡아 대부분의 완성차 업체에서 채택하고 있습니다.  자, 그럼 본론으로 들어가서 CAN 통신 회로를 어떻게 구성하는지 살펴 봅시다. 먼저, CAN 통신을 구현하려면 MCU와 CAN Controlle..

배터리 시스템 2025.03.01

#37. 절연저항 (Insulation Resistor) 개념과 측정 원리

절연저항(Insulation Resistor 또는 Isolation Resistor)이란 한마디로 서로 분리되어 있는 도체들 사이에 형성된 저항을 의미합니다. 도체와 도체 사이에 절연물질이 있다면 당연히 도체간에 흐르는 전류는 0A지만 실제로 회로 시스템을 구성하다보면 완전 절연이 되지 않기 때문에 약간의 누설 전류가 발생합니다. 즉, 도체 사이에 누설전류가 흐를 수 있는 저항이 보인다는건데 이를 누설저항 또는 절연저항 이라고 표현합니다.   자동차, 선박, 항공기 등은 여러가지 전자 장치로 이루어진 복잡한 시스템으로 내부에는 다양한 전자 장치들로 구성되어 있습니다. 어떤 장치는 고전압을 사용하고 어떤 전압은 저전압을 사용하므로 전기적으로 분리하여 절연 상태(전류가 흐르지 않는 상태)를 유지해야할 필요가..

배터리 시스템 2024.11.10

#36. X Cap과 Y Cap에 대해 이해해보자

X Capacitor(줄여서 X cap)와 Y Capacitor(줄여서 Y cap)란 명칭이 다소 생소할 수 있지만 X cap이든 Y cap이든 어찌됐든 커패시터를 의미합니다. 어떤 의미인지 정확히는 모르겠지만 어떤 신호를 뭔가 필터링 해줄거라는 느낌이 듭니다. 왜 X cap, Y cap이라는 용어를 사용하는지 명확하지는 않지만 차동모드의 잡음을 제거하는 용도로 사용하는 커패시터를 X Capacitor, 그리고 공통모드 잡음을 제거하는 용도로 사용하는 커패시터를 Y Capacitoir라고 합니다. 사실, 따지고보면 Y cap은 차동이든 공통이든 관계없이 주파수를 가진 성분의 신호를 차단(필터링)하는 역할을 하지만 X cap이 차동 모드 잡음을 확실하게 제거하기 때문에 Y cap은 공통 모드 잡음을 제거하..

배터리 시스템 2024.10.14

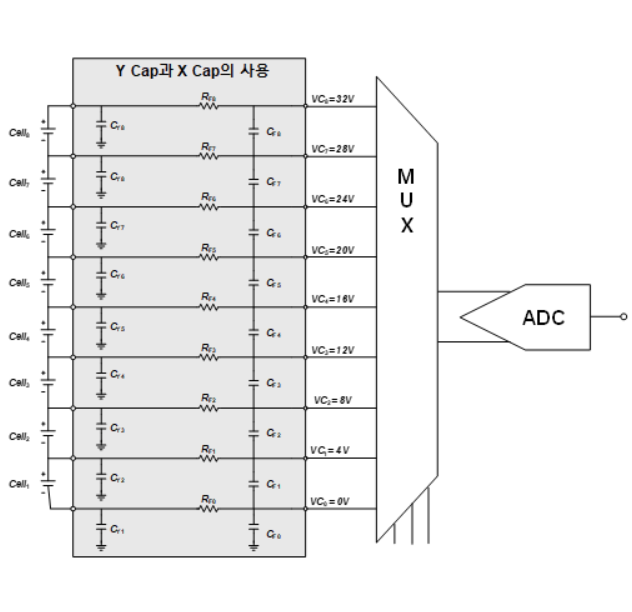
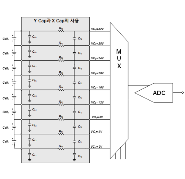
#35. BMS 셀 전압 센싱 및 밸런싱 회로

BMS는 배터리를 관리하는 장치로써 임무를 수행하기 위해 가장 먼저 선행되어야 할 중요한 역할은 배터리 셀의 전압과 전류, 온도 정보를 모니터링하는 것입니다. 이번 포스팅에서는 그 중 전압을 모니터링하는 방법에 대해 구체적으로 기술해보려고 합니다. 그리고 추가로 셀 간 전압 차이가 발생할 경우 충방전 시 문제가 생길 수 있기 때문에 셀 밸런싱을 수행하는 방법에 대해서도 설명해 보겠습니다. BMS에 대한 이해가 필요하신 분은 아래 포스팅을 먼저 참고하시는게 좋습니다.2024.09.08 - [배터리 시스템] - #34. BMS(Batter Management System)란? #34. BMS(Batter Management System)란?BMS는 Battery Management System의 약어로 말그..

배터리 시스템 2024.10.06

#34. BMS(Batter Management System)란?

BMS는 Battery Management System의 약어로 말그대로 배터리를 관리하는 시스템 또는 장치라고 이해할 수 있습니다. 조금 더 자세히 풀면 배터리의 성능과 수명을 최적의 상태로 유지하기 위해 전압, 전류, 온도 정보를 모니터링하고 제어하는 전자 장치라고 할 수 있습니다. BMS(배터리 관리 장치)는 전기자동차 또는 ESS 등 대용량 배터리를 사용하는 제품에서 주로 사용되는데 해당 포스팅은 전기자동차를 위주로 설명을 해보겠습니다. 우선, BMS를 설명하기 이전에 배터리의 셀과 모듈에 대한 개념부터 이해를 해야 합니다. 배터리 제조사마다 부르는 명칭이 조금씩 다를 수 있지만 일반적으로 배터리의 최소 단위를 셀이라 하고, 여러 개의 셀이 모여 배터리 모듈을 구성하고, 이 모듈이 모여서 팩을 구..

배터리 시스템 2024.09.08