전체 글 50

#24-2. S parameter, Smith chart를 이용하여 매칭하기

앞서 S parameter의 개념과 네트웍 어널라이저를 사용하여 S parameter를 어떻게 활용할 수 있는지에 대해 간단하게 살펴보았습니다. (내용이 궁금하신 분은 아래 링크를 클릭해 주세요) 2024.01.23 - [RF] - #24-1. S parameter (S 파라미터) 쉽게 이해해보자 이제 S parameter와 네트웍 어널라이저에 Smith chart를 더하여 매칭하는 방법에 대해 좀 더 구체적으로 알아보도록 하겠습니다. 그림 1과 같이 통신 모듈 IC의 입력 임피던스는 일반적으로 50ohm으로 설계되지만 PCB 라인의 기생 인덕턴스와 캐패시턴스로 인해 50ohm에서 약간 벗어나 있습니다. 50ohm에서 얼마나 벗어나 있는지 확인하려면 PCB의 기생 인덕턴스와 캐패시턴스 성분을 계산해야하는..

RF 2024.02.04

#24-1. S parameter (S 파라미터) 쉽게 이해해보자

S parameter는 RF에서 굉장히 많이 사용되는 개념입니다. 처음 S parameter를 접하는 분들에겐 생소하기 때문에 다소 어렵게 느껴질 수도 있지만 개념 자체는 정말 정말 간단합니다. '입력 신호에 대한 출력 신호의 비율' 로 한마디로 정의할 수 있을만큼 매우 간단한 개념입니다. 그림 1과 같이 S parameter는 2 port 회로 시스템에서 강력한 해석 방법을 제공하며, 포트1과 포트2 사이의 신호 전달에 따라 S11, S21, S12, S22로 표기합니다. S parameter의 아래첨자는 포트 번호를 의미하는 것으로 뒷자리에서 앞자리로 신호 전달이 일어나는 것을 의미합니다. 예를들어 S21은 포트1에서 포트2로의 신호전달을 의미하고, S11은 포트1에서 포트1로 반사되어 들어온 신호전..

RF 2024.01.23

#23. dB 스케일을 사용하는 이유?

우리는 전기 신호의 크기를 전력이라고 부르고 단위로는 W(Watt)를 사용합니다. 어떤 충전기의 출력 전력이 10W라고 한다면 단위 시간동안 10W만큼의 전력을 생산해낼 수 있다는 뜻이죠. 이렇듯 전력을 표기할 때 일반적으로는 W(Watt) 단위를 사용하지만 광범위한 범위를 표현할 때는 다소 불편한 점이 있습니다. 이해를 돕기 위해 예를 들어 봅시다. 어떤 스피커의 출력 신호의 크기 범위가 10nW부터 1kW까지라고 하고, 10nW부터 1kW까지 볼륨을 점차 높인다고 하면 그림 1과 같이 표현할 수 있습니다. 하지만 그림 1에서 굉장히 많은 지면을 할애했음에도 불구하고 160nW까지 밖에 표시하지 못합니다. 이렇듯 수치상 광범위한 범위를 선형 스케일로 표현하기가 매우 어렵기 때문에 우리는 dB 스케일(로..

RF 2024.01.15

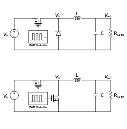
#22. Buck Converter (벅 컨버터) 쉽게 이해하기

"이 포스팅은 쿠팡 파트너스 활동의 일환으로, 이에 따른 일정액의 수수료를 제공받습니다." 가전디지털-TV/영상가전,냉장고,세탁기/건조기,생활가전| 쿠팡쿠팡에서 가전디지털 특가를 살펴보세요. TV/영상가전,냉장고,세탁기/건조기,생활가전 등을 원하는 조건별로 확인할 수 있습니다. 와우회원은 무료 배송 혜택도 누릴 수 있어요.www.coupang.com Buck converter는 Boost converter와 마찬가지로 DC전압을 또 다른 DC 전압으로 바꿔주기 때문에 DC-DC converter 라고도 하고, 높은 전압을 낮은 전압으로 내려주기 때문에 Step down converter (강압 컨버터) 라고도 합니다. (Boost converter의 경우 전압을 올려주기 때문에 Step up conv..

아날로그 회로 2024.01.01

#21. Level Shifter(레벨 시프터) 쉽게 이해하기

레벨 시프터(Level Shifter) 는 실무 회로에서 굉장히 많이 사용하는 소자 중 하나 입니다. 말 그대로 전압 레벨을 변경해주는 소자 입니다. 예를들어, MCU와 통신 모듈 IC 간 통신이 필요한 경우 각 IC가 사용하는 로직 전압 레벨이 다른 경우가 많습니다. MCU는 5V 전압을 사용하는데 통신 모듈 IC는 3.3V를 사용하는 경우 두 IC 사이의 전압 레벨을 맞추기 위한 무언가가 필요하죠. 그 역할을 하는 소자가 바로 레벨 시프터(Level Shifter) 입니다. Level Transceiver, Level Translator 등과 같은 이름으로 불리기도 합니다. 그림1과 같이 전압 레벨이 5V인 MCU와 3.3V인 통신 모듈 IC 간 SPI 통신을 한다고 가정하고, 만약 두 IC를 레벨 ..

아날로그 회로 2023.12.02

#20. LDO(Low Drop-Out) Regulator 동작 원리 이해하기

회로설계에 있어 전원부 회로는 가장 기본이자 필수입니다. 외부 전원을 입력받아 원하는 전압 레벨을 만들기 위해 스위칭 Regulator를 사용하거나 때에 따라 LDO를 사용하기도 합니다. 효율이 중요한 시스템이라면 스위칭 Regulator (Buck 또는 Boost converter)를 사용하고, 효율보다 저잡음이 중요한 곳에선 LDO를 사용합니다. Linear Regulator라고도 하죠. 단순히 원하는 입력 전압 대비 출력 전압에 맞는 LDO를 찾아서 사용해도 크게 문제가 되는 경우는 잘 없습니다만 LDO의 동작 원리를 정확하게 알고 사용해야 추후 잡음이나 효율 등에 대한 이해가 쉬워지기 때문에 깊이 있게 아는 것 또한 중요합니다. 따라서, 이번 포스팅에서는 LDO의 성능 지표에 대한 부분은 제쳐두고..

아날로그 회로 2023.11.26

#19. 커패시터(Capacitor)의 종류

회로의 수동소자 R(Resistor), L(Inductor), C(Capacitor) 중 중요한 한 축을 담당하는 커패시터의 종류에 대해 설명하려고 합니다. 커패시터의 사용 용도가 다양하기 때문에 그 용도에 맞는 커패시터들이 존재합니다. 그럼 어떤 커패시터를 어떤 용도에 사용하는지 한번 알아보도록 하겠습니다. 1. 커패시터의 종류 커패시터의 종류는 세라믹, 전해질, 탄탈, 필름, 슈퍼(울트라) 커패시터로 구분할 수 있습니다. 보통은 세라믹, 전해질, 탄탈 커패시터를 많이 사용 합니다. 커패시터를 고를 때 가장 많이 보는 특성은 용량과 전압 범위이지만 각 커패시터별로 다양한 특징을 가지기 때문에 특성을 잘 알아야 적합한 용도에 맞게 커패시터를 선정할 수 있습니다. 각 커패시터의 특징을 아래 표와 같이 정리..

아날로그 회로 2023.11.18

#18. 슬루율(Slew Rate) 쉽게 이해하기!

슬루율(Slew Rate)이란 단위 시간 동안 출력 전압의 변화량을 의미하며, 입력 신호에 대해 출력 신호가 얼마나 빠르게 따라갈 수 있는지를 나타내는 척도 입니다. 그래서 OPAMP의 동작 속도를 의미하기도 합니다. 슬루율(Slew Rate)을 수식으로 나타내면 아래 수식 1)과 같이 단위 시간(△T)동안 출력 전압의 변화량(△V)으로 표현할 수 있습니다. 수식 1) 우리는 OPAMP를 선택할 때, 일반적으로 이득(Gain), 대역폭(Bandwidth), 공급 전압(Power supply)과 소모전류를 보고 결정합니다. 높은 이득이 필요해서 High Gain OPAMP를 선택했고, 대역폭도 충분한데 이상하리만치 파형이 깨지는 현상을 간혹 볼 수 있습니다. 이 때 보통은 대역폭이 부족해서 그런가? 라고 ..

아날로그 회로 2023.08.19

#17. MOSFET의 동작 영역에 대해 쉽게 이해하기

MOSFET(Metal-Oxide-Semiconductor Field Effect Transistor)의 동작 영역을 이해하는 것은 회로 설계에 있어서 굉장히 중요합니다. MOSFET은 주로 스위치 용도로 사용하거나 증폭기 용도로 사용합니다. LNA나 OPAMP와 같이 소신호를 다루는 사람이라면 주로 증폭기 용도로 사용할 것이고, 전원 또는 제어 보드를 설계하는 사람이라면 주로 스위치 용도로 사용할 겁니다. 따라서, MOSFET을 용도에 따라 적절히 사용하기 위해서 동작 영역에 대한 이해가 반드시 필요 합니다. MOSFET은 게이트 전압에 따라 채널의 전도성 또는 저항성을 조절하여 전류를 제어하는 반도체 디바이스입니다. 저항성이 낮은 동작영역(Triode)을 활용하여 스위치처럼 동작하게 하거나 저항성이 ..

아날로그 회로 2023.08.15

#16. 전자 회로 시정수 (time constant)에 대해 쉽게 이해하기

"이 포스팅은 쿠팡 파트너스 활동의 일환으로, 이에 따른 일정액의 수수료를 제공받습니다." 가전디지털-TV/영상가전,냉장고,세탁기/건조기,생활가전| 쿠팡쿠팡에서 가전디지털 특가를 살펴보세요. TV/영상가전,냉장고,세탁기/건조기,생활가전 등을 원하는 조건별로 확인할 수 있습니다. 와우회원은 무료 배송 혜택도 누릴 수 있어요.www.coupang.com 시정수 τ = RC 라고 표현합니다. 여기서 R은 저항값이고, C는 커패시터값을 의미합니다. 저항과 커패시터로 시간을 표현할 수 있다니? 굉장히 신기하지 않을 수 없습니다. 나무위키에서 시정수의 정의를 보면 "전기회로에 갑자기 전압을 가했을 경우 전류는 점차 증가하여 마침내 일정한 값에 도달한다. 이 때의 증가의 비율을 나타내는 것으로, 정상값의 6..

아날로그 회로 2023.08.05