전체 글 50

#9. 역극성 방지 회로와 역전압 보호 회로

역극성이란? 간단하게 배터리의 (+)단자와 (-)단자를 반대로 연결한 경우를 뜻합니다. 이런 경우 다양한 부품 소자들이 손상될 수 있습니다.예를들면, 탄탈과 같이 극성이 있는 캐패시터는 전압이 반대로 걸릴 경우 파손되기 쉽습니다. 다이오드 또한 역방향 전압을 지나 항복전압(breakdown voltage)에 다다르면 순간적으로 강한 전류를 발생시키면서 파손이 되죠. 그러면 당연하게도 트랜지스터 역시 파손될 가능성이 있겠지요. 트랜지스터는 두 개의 다이오드로 이루어져 있으니까요. 이 외에도 몇몇 취약한 IC들은 전압이 반대로 걸릴 경우 파손될 우려가 있습니다. 한 곳에서 파손되기 시작하면 점차 범위를 넓혀 나가기 때문에 전원을 연결했을 때 뭔가 심상치않은 소리가 나거나 연기가 피어오르면 바로 전원을 차단해..

아날로그 회로 2023.06.29

#8-2. 임피던스 매칭을 하는게 항상 좋은걸까?

앞서 #8 전송선로란? 임피던스 매칭? :: 아날로그 회로 설계 (tistory.com)에서 전송선로의 개념에 대해 알아보았습니다. 그리고 반사계수와 투과계수를 임피던스 매칭과 연관지어 설명하였습니다. 요약하면 반사계수가 0이면 임피던스 매칭이 되어 최대 전력을 전송할 수 있습니다. 그러면 항상 임피던스 매칭을 하는게 좋은걸까요? 전력 관점에서 봤을 때는 맞지만 전압 관점에서 보면 반사계수가 0인 것 보다 1인게 더 좋습니다. 반사계수가 0일 때, 투과계수는 1이지만 반사계수가 1일 때, 투과계수는 2가 되니까요. 즉, 부하저항이 무한대인 케이스에 해당하는데 이 때 전압은 최대가 되지만 무한대의 임피던스를 통해 전류가 흐를 수는 없죠. 따라서 전류는 0이 됩니다. 전력은 V·I 이므로 전력 또한 0이 되..

RF 2023.06.28

#8-1 전송선로란? 임피던스 매칭?

전송선로란 무엇일까요? 전자공학을 전공한 분들은 굉장히 많이 들어보셨을 거에요. 하지만 이게 도무지 뭘 말하는건지 졸업할 때 까지도 잘 이해가 안되는 분들이 많을거라고 생각합니다. 저 또한 그랬구요. 전송선로 라고 하니 뭔가 신호가 흐르는 구리같은 도체를 선으로 만들어 놓은건가 싶기도 하고, 그림 1과 같이 R, L, C를 이용해서 회로가 구성되어 있는걸 보면 어떤 선을 회로적으로 모델링한건가? 싶기도 할 겁니다. 다 맞는 말이에요. 하지만 어렴풋이 느낌은 있지만 잘 와 닿지는 않을 거라고 생각 합니다. 굉장히 어렵죠! 사실 전송선로를 이해하기 위해서는 약간의 전자기장에 대한 개념을 갖고 가야 합니다. 전자기장이라고 하면 멕스웰 방정식부터 생각나면서 보기도 싫은 분들이 많을거라 생각합니다만, 그런 복잡한..

RF 2023.06.26

#7 신호 검출용 다이오드 (Photodiode)

#6. 다이오드를 왜, 어디에 사용할까? :: 아날로그 회로 설계 (tistory.com) 에서 살펴봤던 다이오드의 3가지 용도 중 마지막 신호 검출용 다이오드에 대해 알아볼까 합니다. 일반적으로 많이 활용하는 정류용이나 보호용과는 달리 신호를 검출하는 용도로도 다이오드가 사용된다는 사실! 레이저나 라이다를 하는 분들이라면 잘 아실테죠. 발광다이오드인 LED는 전기신호를 빛으로 바꿔주지만 신호 검출용 다이오드는 빛을 받아서 전기 신호로 바꿔주는 일종의 센서 역할을 수행 합니다. 이런 다이오드를 사람들은 Photo Diode라고 명칭을 붙였죠. 줄여서 PD 라고도 합니다. #5. Diode의 정의와 기본적인 동작 특성 :: 아날로그 회로 설계 (tistory.com) 에서 다이오드는 PN 접합으로 이뤄져있..

아날로그 회로 2023.06.21

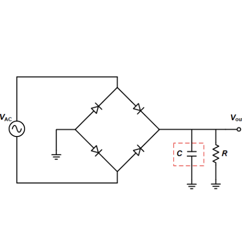
#6. 다이오드를 왜, 어디에 사용할까? - 정류 회로, 보호 회로

앞서 #5. Diode의 정의와 기본적인 동작 특성 :: 아날로그 회로 설계 (tistory.com) 에서 다이오드의 기본적인 특성에 대해 알아 봤습니다. 그러면 이번 포스팅에서는 다이오드의 역할과 활용방안에 대해 알아보도록 하겠습니다. 우선, 다이오드의 역할은 크게 아래와 같이 3가지 정도로 구분 가능합니다. 1. 정류용 회로 역할 2. 보호용 회로 역할 3. 신호 검출 역할 위 세가지 다이오드의 역할에 대해 차근차근 얘기해 보겠습니다. 1. 정류용 회로 역할 다이오드의 정류 역할은 사실 다이오드의 가장 기본적인 역할이라고 볼 수 있습니다. 다이오드는 순방향 전압에서만 도통되는 방향성을 가지고 있고, 이 특성을 사용하여 교류 신호(AC)를 직류 신호(DC)로 바꿀 수 있습니다. 즉, 220V의 AC 전..

아날로그 회로 2023.06.19

#5. Diode의 정의와 기본적인 동작 특성

다이오드는 정말 정말 많이 사용하는 전자 부품 소자 중 하나로, 전류를 한 방향으로만 통과시키는 역할을 합니다. 다이오드는 전기 회로에서 매우 중요한 요소이며, 굉장히 다양한 역할을 수행합니다. 두 개의 반도체를 연결한 P-N 접합 구조로 되어 있으며, 일반적으로 실리콘 또는 저마늄 물질을 사용합니다만 실무를 함에 있어 물리적인 성질을 깊이 알지 못하더라도 전자회로를 설계하는데 있어서 큰 문제는 없습니다. 물성을 이해하는 것은 전공자가 아니면 이해하기 어렵기도 하고, 재미도 없으니 실제 실무에서 활용할 수 있는 설계 관점에서 글을 풀어 보겠습니다! 다이오드 심볼부터 봐야할 것 같네요. 다이오드 심볼은 그림 1과 같이 굉장히 심플하게 표현됩니다. 일반적으로 Anode에 양전압, Cathode에 음전압을 걸..

아날로그 회로 2023.06.18

#4. Differential Amplifier(차동증폭기)

(2024년 4월 13일 수정 - 전체적인 설명 추가 및 구체화) Differential Amplifier (차동 증폭기)란 두 개의 차동 신호를 입력으로 받고 하나의 출력을 가지는 증폭기를 뜻합니다.  아래 그림 1과 같이 두 입력 V1과 V2로 위상이 180º 차이나는 차동 신호를 입력 받으면 하나의 증폭된 출력 VOUT이 출력 됩니다.  이를 수식으로 표현하면 수식1)과 같이 표현할 수 있고, Ao는 OPAMP의 이득을 의미합니다. 수식 1) 하지만 일반적으로 OPAMP 이득이 굉장히 높기 때문에 그림 1과 같이 피드백 저항 없이 사용할 경우 실제 출력전압 VOUT은 사인파가 아닌 그림 2와 같이 V-와 V+로 출력 됩니다. 이렇게 사용하는 건 OPAMP를 비교기로 사용하는 경우이고, 증폭기로 사용..

아날로그 회로 2023.06.18

#3. Non-Inverting Amplifier (비반전 증폭기)

Inverting Amplifier (반전 증폭기) 다음으로 Non-Inverting Amplifier (비반전 증폭기)에 대해 알아보도록 하겠습니다. R1과 R2에 흐르는 전류는 동일하다는 수식을 세우면 Non-Inverting Amplifier (비반전 증폭기)의 이득은 1+R2/R1이 됩니다. 이 역시 R1과 R2에 흐르는 전류가 동일하다는 OPAMP의 기본 원리를 적용하여 수식을 세울 수 있습니다. 수식은 매우 간단하기 때문에 여기서 다루지는 않겠습니다. 다시 상세 그림으로 그려보면 아래와 같습니다. R1으로 흐르는 전류 I1은 OPAMP의 입력 임피던스(Rin)가 무한대이므로 모두 R2로 흐릅니다. Iin1과 Iin2에 흐르는 전류는 0이기 때문에 Vin1과 Vin2의 전위차이는 발생하지 않으므..

아날로그 회로 2022.03.13

#2. Inverting Amplifier (반전 증폭기)

#1. OPAMP 장에서 Negative Feedback 기법을 적용한 회로는 Inverting Amplifier와 Non Inverting Amplifier 두 가지 종류가 있다고 설명했습니다. 먼저 Inverting Amplifier에 대해 알아보도록 하겠습니다. R1과 R2에 흐르는 전류는 동일하다는 수식을 세우면 Inverting Amplifier의 이득은 -R2/R1이 됩니다. 이렇게 R1과 R2에 흐르는 전류가 동일하다는 수식을 세울 수 있는 이유는 OPAMP의 입력 임피던스가 무한대이므로 입력으로 흐르는 전류가 0이기 때문이죠. 따라서 두 입력 노드의 Voltage도 같을 수 밖에 없습니다. 이것이 바로 #1. OPAMP 장에서 설명드렸던 가상 접지 개념입니다. 다시 상세 그림으로 그려보면 ..

아날로그 회로 2018.12.25

#1. OPAMP (연산증폭기)

OPAMP는 전자회로를 배우는 학생이든 회로 설계를 하는 직장인이든 가장 많이 다루고 보게되는 회로 중 하나 입니다. 한마디로 회로 설계에 있어서 가장 중요하고 기본이 되는 소자인 거죠! 하지만 저를 포함하여 많은 분들이 학부생 때 부터 OPAMP를 배워왔으나 그 기본 개념에 대해 잘 모르는 것이 사실입니다. 그 만큼 이해하기 어렵기도 하구요. 그래서 OPAMP에 대해 좀 더 쉽게 이해할 수 있도록 최대한 수식은 자제하고 글을 풀어 보려 합니다. 기본적인 OPAMP는 아래 그림 1과 같습니다. OPAMP의 이득(열린루프)은 일반적으로 100,000배 이상입니다. 따라서 그림 1의 VOUT=Ao(V1-V2) 수식에 의해 입력 전압 V1과 V2의 차이가 1mV만큼 아주 작다하더라도 OPAMP의 이득 100,..

아날로그 회로 2018.12.17