아날로그 회로

#22. Buck Converter (벅 컨버터) 쉽게 이해하기

알고보면재밌어 2024. 1. 1. 21:00
반응형

"이 포스팅은 쿠팡 파트너스 활동의 일환으로, 이에 따른 일정액의 수수료를 제공받습니다."

 

가전디지털-TV/영상가전,냉장고,세탁기/건조기,생활가전| 쿠팡

쿠팡에서 가전디지털 특가를 살펴보세요. TV/영상가전,냉장고,세탁기/건조기,생활가전 등을 원하는 조건별로 확인할 수 있습니다. 와우회원은 무료 배송 혜택도 누릴 수 있어요.

www.coupang.com

 

 

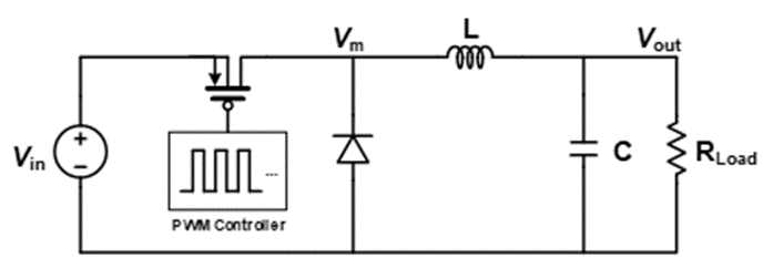
Buck converter는 Boost converter와 마찬가지로 DC전압을 또 다른 DC 전압으로 바꿔주기 때문에 DC-DC converter 라고도 하고, 높은 전압을 낮은 전압으로 내려주기 때문에 Step down converter (강압 컨버터) 라고도 합니다. (Boost converter의 경우 전압을 올려주기 때문에 Step up converter(승압 컨버터)라고 하죠) 아래 그림 1을 봅시다. Buck converter를 설명할 때 가장 많이 사용하는 그림입니다.

 

[그림 1. Buck Converter (벅컨버터) 회로]

 

Buck converter는 스위칭용 MOSFET, 다이오드, 인덕터, 커패시터 그리고 PWM Controller로 굉장히 심플하게 구성됩니다. PWM Controller는 MOSFET을 ON/OFF 하기 위한 펄스 신호를 생성하는 회로라고 이해하면 됩니다.

 

PWM Controller에 의해 펄스 신호가 생성되고, 펄스 신호가 High 일 때와 Low 일 때, 회로 동작을 구분하여 이해해 봅시다.

아래 그림 2는 펄스 신호가 High 일 때, MOSFET이 ON이 되는 경우이고, 전류의 흐름을 빨간색 실선으로 표시하였습니다.

 

[그림 2. 펄스 Hight 일 때, 전류 흐름]

 

MOSFET이 ON 되어 Vm 노드 전압은 Vin과 같게 됩니다. 물론 MOSFET의 Ron 저항 만큼 전압 드롭이 발생하겠지만 매우 작기 때문에 여기선 신경쓰지 않기로 합니다.(효율과 관련된 팩터이기 때문에 효율과 관련해서는 중요한 요소이긴 합니다) 이 때, 전류는 인덕터 L을 통해 흐르게 됩니다. 인덕터는 전류의 흐름을 방해하는 소자이기 때문에 기울기가 점점 줄어들면서 증가하게 됩니다. 인덕터 L값을 충분히 크게 해야 Vout의 Ripple이 작아지기 때문에 충분히 큰 인덕터 L 값을 가져갑니다. 

[그림 3. 인덕터 L 값에 따른 전류 충전 속도 변화]

 

그림 3과 같이 인덕터 L값이 크면 클수록 전류값은 점점 더 선형적으로 증가하는 것을 알 수 있고, 커패시터가 전압을 충전하는 것과 같이 인덕터는 전류를 충전하는 것으로 이해할 수 있습니다. 이를 수식으로 나타내면 아래 수식 1)과 같습니다. MOSFET이 ON 되어 있는 시간 Ton이 클 수록 전류 값도 커지는 것을 알 수 있습니다.

 

 

수식 1)

 

그리고 인덕터의 전류가 방전되는 경우는 수식 2)와 같이 표현할 수 있죠. MOFET이 OFF 된 상태일 때 인덕터의 전류가 방전됩니다.

 

수식2)

 

인덕터 L값이 충분히 큰 경우 전류 흐름 IL값이 작아지기 때문에 VL의 변화량이 작아서 Vm은 Vin과 거의 동일한 전압이 걸리게 됩니다. 

 

이제 펄스가 Low가 되고, MOSFET이 OFF가 되는 경우를 봅시다. 그림 4와 같이 전류의 흐름이 변합니다.

 

[그림 4. 펄스 Low 일 때, 전류 흐름]

 

MOSFET이 ON 일 때, 인덕터 L은 그림 3과 같이 전류를 저장하였습니다. 하지만 이 경우는 MOSFET이 OFF 되면서 저장했던 전류가 방전됩니다. 전류는 C와 RLoad를 통해 흐르고 다이오드를 통해 Vm 노드로 흐르면서 전류 path를 형성하게 됩니다. 이 때, Vm 노드는 다이오드의 애노드 전압이 0V이므로 0.7V의 다이오드 전압 드롭을 고려하면 -0.7V가 됩니다.

 

여기까지 설명한 MOSFET의 ON, OFF에 따라 인덕터(L), 커패시터(C), 부하저항(RLoad)의 전류 및 전압을 그래프로 그려보면 아래 그림 5와 같습니다.

 

[그림 5. MOSFET ON/OFF 시 전압 및 전류 파형]

 

그리고 Buck converter에서 알아야 하는 가장 중요한 내용 중 한가지는 Vout 값을 결정 짓는 요소 입니다. 입력 전압 Vin의 duty 값에 의해 Vout이 결정되는데 duty란 펄스 파형의 한 주기 T동안 ON되어 있는 시간을 퍼센트(%)로 표현한 값입니다. 즉, 펄스의 켜져있는 시간 Ton과 꺼져있는 시간 Toff가 같다면 duty는 50%입니다. 그림 6에서 상세하게 내용을 확인할 수 있습니다.

 

[그림 6. Duty에 대한 이해]

 

Vout 값은 아래 수식 3)과 같이 Vin과 Vin 파형의 duty 곱에 의해 표현됩니다. Vout의 원하는 출력전압 값을 얻기 위해서는 Vin과 duty 값을 조절하면 된다는 것을 알 수 있습니다.

 

수식 3)

 

여기까지 Buck converter를 이해하는 가장 기본적인 원리에 대해 설명 하였습니다. 아주 많이 사용하는 전원부 소자인 만큼 동작 원리를 알아야 제대로된 설계를 할 수 있습니다. 사실, 실무에서는 입력 전압과 출력 전압, 효율 그리고 Ripple voltage 정도의 조건만 보고 Buck converter IC를 선정하여 설계하는게 거의 전부이기 때문에 이런 원리를 아는 것에 소홀할 수도 있습니다. 하지만 그림 7과 같이 Buck converter IC를 사용 할 때, 스위칭 주파수 선택을 위한 R 컴포넌트나 출력 전압 평활화를 위한 L, C 컴포넌트는 외부 삽입되어 값을 선택할 수 있도록 되는 경우가 많은데 Buck converter의 원리를 잘 모르면 이런 외부 R, L, C 값을 선정할 때, 아무런 지식없이 datasheet에서 레코맨드하는 값만 선택할 수 밖에 없게 됩니다. 따라서, 원리를 아는 것이 매우 중요합니다.

 

[그림 7. Buck converter IC의 사용 예]

 

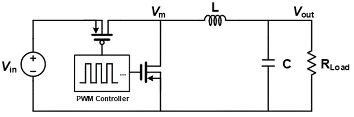
Buck conveter 회로를 구성할 때, 그림 1과 같이 다이오드(특히, shottkey diode)를 사용하기도 하지만 이럴 경우 효율 측면에서 굉장히 큰 손실을 보기 때문에 보통은 MOSFET을 사용합니다. 그림 8과 같이 구성된 회로가 요즘 일반적으로 많이 사용하는 Buck converter 회로라고 볼 수 있죠.

 

[그림 8. MOSFET을 사용하는 Buck Converter (벅컨버터) 회로]

 

MOSFET을 사용하면 어떻게 다이오드를 사용할 때 보다 효율을 더 높일 수 있을까요? 그림 2와 같이 펄스 High일 때는 동일한 PMOS를 따라 Iout이 흐르기 때문에 동일한 전력을 소모합니다. 하지만 그림 4와 같이 펄스 Low일 때는 전류 Iout이 다이오드를 통해 흐르게 되고 shottkey 다이오드를 사용하더라도 0.5V 수준의 전압을 소모합니다. 만약 그림 8과 같이 다이오드 대신 NMOS를 사용하게 되면 NMOS가 ON 됐을 때의 Ron 저항 값이 mohm 수준이기 때문에 굉장히 미약한 전압을 소모하게 됩니다. 이렇게 다이오드와 NMOS가 소모하는 전력을 비교해보면 아래 그림 9과 같습니다.

 

[그림 9. Diode와 MOSFET 사용에 따른 효율 비교 ]

  

Ron 값은 MOSFET에 따라 다르지만 일반적으로 수십 mohm 수준이기 때문에 위 그림 8과 같이 10mohm 이라고 가정하면 다이오드를 사용할 때 보다 약 50배의 전력 소모를 줄일 수 있게 됩니다. 따라서, 효율 측면에서 MOSFET을 사용하는 것이 압도적으로 유리합니다.

 

자, 그러면 효율에 영향을 미치는 요소는 또 어떤 것들이 있을까요? 대략 7가지 정도 되는 듯 합니다. 이를 나열해 보면 아래와 같습니다.

 

1. PMOS의 Ron 저항

2. NMOS의 Ron 저항 (또는 다이오드)

3. PWM Controller의 소모 전력

4. 인덕터 L의 기생 저항, DCR(DC Resistance)

5. 커패시터 C의 기생 저항, ESR(Equivalent Series Resistance)

6. 스위칭 Frequency

7. 입력 전압 VIn의 Rising/Falling time

 

위 내용들에 대해서는 설명할 양이 많기 때문에 다음 포스팅에서 상세하게 다뤄보도록 하겠습니다~!

반응형